Skip to content
Tetra Maritime Services
All
Equipments
Reused Equipments
Services
Home
About
Contact
Tetra Maritime Services
Main Menu
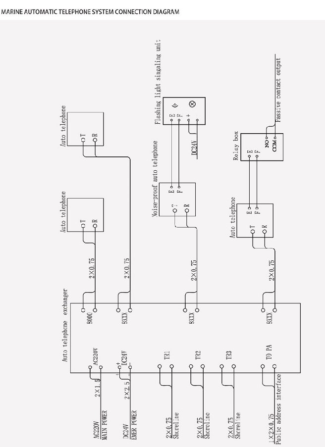
MARINE AUTOMATIC TELEPHONE SYSTEM CONNECTION DIAGRAM
Category:
MARINE AUTOMATIC TELEPHONE SYSTEM
Enquiry Now
Related products
MARINE AUTOMATIC TELEPHONE SYSTEM
JKC-100 AUTOMATIC TELEPHONE EXCHANGE
MARINE AUTOMATIC TELEPHONE SYSTEM
HAC 100Q FLUSH TYPE AUTO TELEPHONE
MARINE AUTOMATIC TELEPHONE SYSTEM
HAC -100G WALL TYPE AUTO TELEPHONE
MARINE AUTOMATIC TELEPHONE SYSTEM
BX-1 PORTABLE AUTO TELEPHONE
MARINE AUTOMATIC TELEPHONE SYSTEM
FR-100Z,II FLASH LIGHT SIGNALING UNIT
All
Equipments
Reused Equipments
Services
Home
About
Contact